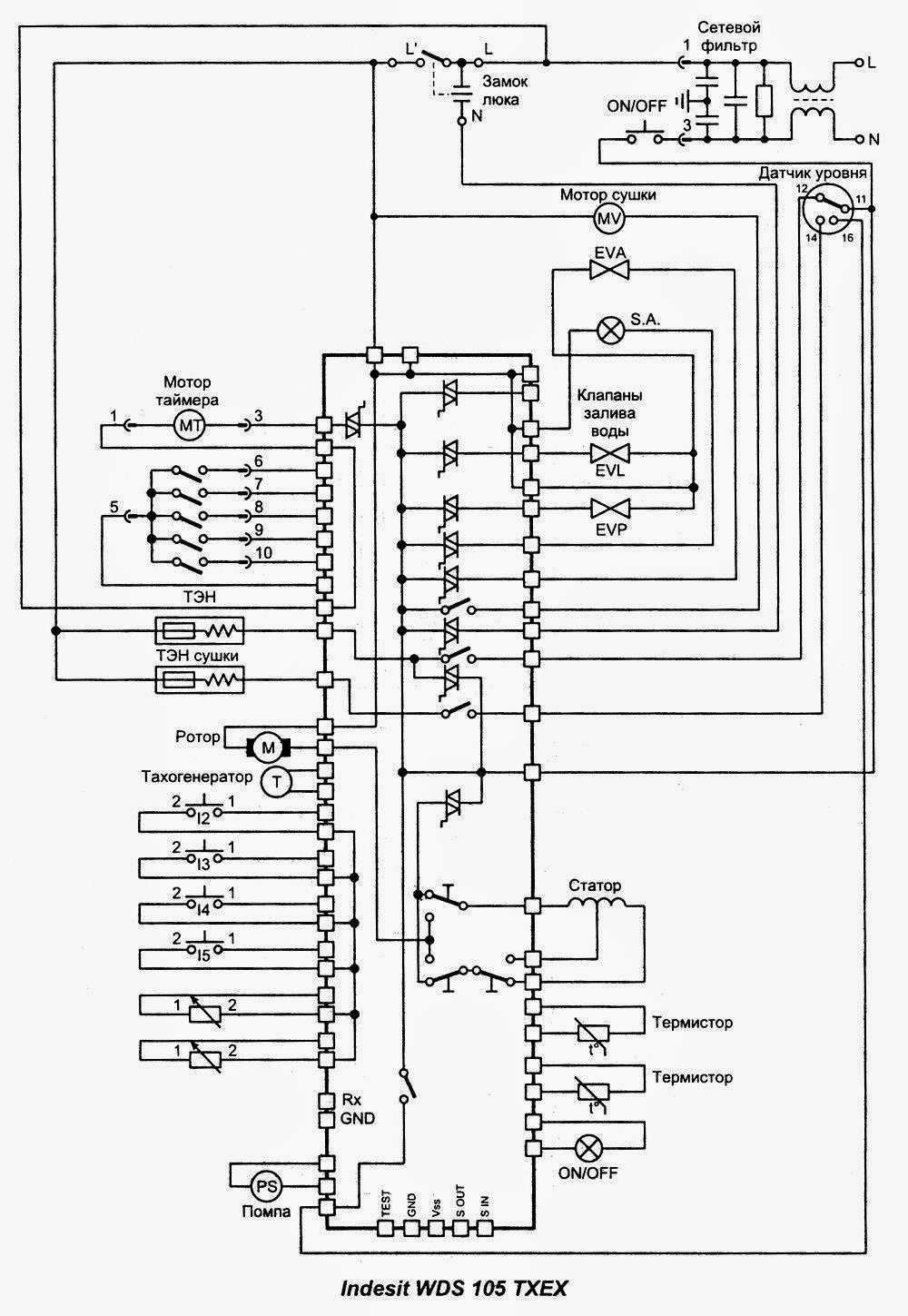
Indesit Wil 105 Service Manual

View the manual for the indesit wixl 105 ex here for free.
Indesit wil 105 service manual. Lastmanuals ofera un serviciu motivat social de impartire inmagazinare si cautare de manuale relativ la folosirea de hard si software. Indesit wil 105 exbg 189. Ghid de utilizare indesit wil 105. User manual an instruction is a compilation of information about an item a service it is a clue.
This manual is available in the following languages. Rar size 2 5 kb. Summary of contents for indesit wixl 105 page 1. Download indesit wil 105 exbg 189 service manual repair info for electronics experts.
Do you have a question about the indesit wixl 105 ex or do you need help. Zip size 2 8 kb. User manual an instruction is a compilation of information about an item a service it is a clue. How to start a programme 6 programme table 6 personalisations 7 setting the temperature 7 setting the spin speed 7 wixl 105 functions 7 detergents and laundry 8 detergent dispenser 8 bleach cycle 8 preparing your laundry 8.
Wil s type of document. Service manuals schematics eproms for electrical technicians. Service manuals schematics eproms for electrical technicians. Download indesit wisl 105 xex 28305660003 service manual repair info for electronics experts.
This site helps you to save the earth from electronic waste. View and download indesit wil 1000 ot service manual online. English german french spanish greek hungarian. Indesit wisl 105 xex 28305660003.
This manual comes under the category washing machines and has been rated by 1 people with an average of a 9 6. Wil 1000 ot washer pdf manual download. Ghid de folosire manualul proprietarului ghid de pornire rapida date tehnice nu uitati sa cititi intotdeauna manualul de folosire inainte de a cumpara. This site helps you to save the earth from electronic waste.
Indesit wil 105 service manual pdf manufacturer.